פאזה בכניסה לתבריג, בהובלת מסב או בהרכבת אטם. 3 מקומות להמחשת חשיבות הפאזה. שכחת או לא ידעת, היה מוכן לשלם את המחיר.

הפאזה, פרט הנחשב לשולי בשרטוט, עד כדי שלעיתים, מתכננים אינם מציינים אותה כלל בשרטוט. הם סומכים על בעל המלאכה שידע היכן לבצע פאזה ואיזו פאזה- ולדעתי זו טעות ואפילו טעות קריטית.

בעת תכנון תבריג, בין על גל ובין בקדח, יש להקפיד על פזות ועל שחרור לכלי העיבוד:

פאזות הכנה לתבריג

את הפזה והשחרור יש לבצע לפני בצוע התבריג.

ולדעתי, הפאזה חייבת להופיע גם בשרטוט! (יש דעות שאין צורך בציון פאזה לתבריג בשרטוט, ויש שאין מציינים את הפאזה מתוך אי ידיעה עד כמה הפאזה חשובה, ויש שסתם שוכחים לציין בשרטוט)

עומק השחרור וגודל הפזה, נקבעים לפי עומק השן של התבריג.

עומק השן של התבריג תלוי בפסיעה (ראה טבלה להלן).

עומק השחרור וגודל הפזה, צריכים להיות כאלו שיבטיחו מספר עשיריות שחרור לבסיס השן של התבריג:

שחרור לסכין תבריגים

רוחב החריץ B  והרדיוסים (עם טולרנסים):

טבלת שחרור לסכין תבריגים

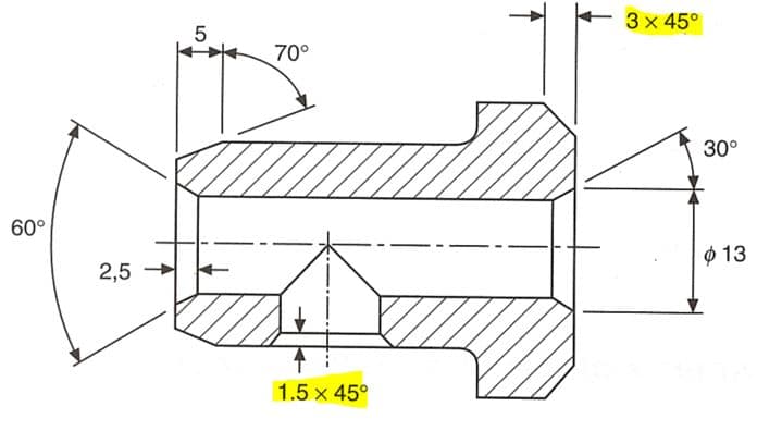
פזה בקצה התבריג (זכר):

מידות פאזה לתבריג

באחריות המתכנן לדאוג שהמידה a (הניצב של “משולש הפזה”)  גדולה מעומק השן בכמה עשיריות המילימטר.

נכון לציר וגם לקדח.

את המידות לפזה בשרטוט נותנים כמובן כך:

מידות בשרטוט לפאזה

פאזה של 45º אפשר לציין ללא כיוון (מודגש בצהוב) ax45º, אך אם הפאזה שונה מ 45º יש חובה לציין היכן הזווית.

 

זכרו: אין לעצור סכין בתוך החומר

הן בחריטה והן בכרסום, לפני עצירת התנועה, יש לנתק מגע בין החומר לסכין – השחרורים עוזרים לקיים כלל זה.

 

אם לא תקפידו על בצוע הפזה, בכניסה לתבריג, לפני בצוע התבריג, תתקבל “סכין” בתחילת התבריג. סכין זו נוטה להתכופף בקלות, ואז קשה, בהרכבה, “למצוא” את תחילת התבריג, כלומר אום או בורג לא ישתלבו בתבריג:

תבריג בוצע ללא פאזה מקדימה

“סכין” יכול להתעקם תוך כדי נסיונות ההרכבה של החלק הנגדי.

בצוע הפאזה לפני התבריג, אף מקל על שילוב מברז בקדח המקדים.

אם פאזה לא תבוצע כפעולה מקדימה, אלא לאחר ביצוע התבריג, יהיה צורך בפעולה מתקנת לתבריג.

כשמייצרים פזה מקדימה לתבריג, נוצרת תחילת התבריג הדרגתית. ממש בתחילת התבריג, כשיש חומר בעובי אפס (סכין), גובה השן- אפס. גובה השן הולך ונבנה עם הכניסה לחומר וכך גם עובי השן.

תבריג עם ותבריג ללא פאזה

בורג עם פאזה וללא פאזה

עד כאן דברנו על הפאזה כהכנה לתבריג, אך הפאזה משמשת גם להובלת הבורג אל תוך התבריג, ומסייעת בהשתלבות התבריגים.

ואם עזרה להובלה, אז לא רק לבורג. הפאזה משמשת להובלה ועזרה בהרכבה של כל גל וקדח, כלומר, כל מסב וציר, כל מסב ובית מסב, כל פין לצד הקבוע שלו, וכל גוף שמורכב על פין מירכוז או כמה פיני מיקום, כל שגם וציר, וכל גלגל שיניים עם בן זוגו (השתלבות צירית)- בקיצור, בכל מקום של הרכבת חלקים מותאמים.

נקח לבחינה את הרכבת המסב. כל אחד מאתנו נתקל בפעולה. הנכון והטוב הוא להרכיב את המסב על ציר (או לתוך הבית) בעזרת כלי עם הובלה. למשל, המלחצים המושחזים של הכרסומת, או ראש הכרסומת אל מול שולחן הכרסום. השליטה בתנועה היא נוחה, וההובלה מצוינת. אם אין צורך בכוחות גדולים (שמצריכים מתקן מיוחד ומכבש), הרכבה כזו מאד נוחה:

הרכבת מסב נכונה

אך אם אין הובלה, ובמקרה (רק במקרה) אין פאזה על הציר (במסב יש תמיד רדיוס ראוי), יש נטיה למסב “לתפוס” זוית:

הרכבת מסב ללא פאזה מובילה

ואז ההרכבה הופכת למדורגת, לחיצה (או חס וחלילה, מכה) בצד אחד, התקדמות קלה ועצירה, לחיצה בצד הנגדי, התקדמות קלה ועצירה. שוב לחיצה בצד אחד ולחיצה בצד השני וכל פעם התקדמות קלה ועצירה,. תהליך ארוך עם המון סכנות (פגיעה בציר או פגיעה במסב- עוד לפני ההפעלה הראשונה של המערכת).  אך אם יש פאזה, יותר קל להמנע ב”הנדנדה”. הפאזה עוזרת למרכוז ואז יתכן שההרכבה תהיה חלקה יותר (כדאי לסוך את החלקים בטיפת שמן):

פאזה מכוונת בהרכבה

אם יש לכם מקום, 2-3 ממ’ פנויים להובלה, אני ממליץ להכין הובלה “מובנית בתוך החלק” של צואר צר בעשירית או שתים מקוטר המסב. בד”כ עדיף אורך גדול מחצי רוחב המסב (b). הרכבה עם הובלה כזו מבטיחה שלא תהיה “נדנדה” וההרכבה חלקה ומהירה וללא חשש פגיעה במסב או בציר:

מוביל מובנה על ציר

לכל הדוגמאות עד כאן, פאזה של 0.5 עד 1 מ”מ על 45º , בד”כ, תעשה את העבודה. כמובן שפאזה להברגות, או שתיקחו אותה מטבלאות או שתדאגו שתהיה גדולה בכמה עשיריות מגובה השן. טיב השטח של הפאזה:  Ra 1.6 עד 3.2 מקרון.

ועכשיו אנחנו מגיעים למקרה השלישי: פאזה להרכבה של אטמים.

במקרה של אטמים, הפאזה “צריכה” למנוע פגיעה באלסטומר, לכן תפקיד ההובלה “ארוך יותר” ורגיש יותר. הזווית צריכה להיות הדרגתית (מתונה יותר) וטיב השטח טוב יותר: Ra 0.8 עד 1.6 מקרון.

יש להקפיד ולדאוג שקונוס המיפתח של הקוטר המקבל את האטם, יכיל את האטם כולו:

קוטר קונוס לפאזה מובילה לאטם

בד”כ המידות של הפאזות להרכבת אטם הן לפאזה בבית והן לפאזה על גל, מתקבלות בתחומים:

פאזה לאטם

יש לזכור: המתכנן אחראי שלא יפגע האטם!

זה מה שקורה כשהפזה אינה מתאימה:

פאזה אינה מתאימה

האטם נצבט ונפגע:

נזק צביטה באטם

 

לסיכום: 

  1. פאזה היא אלמנט חשוב מאד בכל מקום של השתלבות חלקים בהרכבה ובהכנה לפני תבריגים

  2. יש לציין פאזות בשרטוט

  3. אין להסתמך על בעל המקצוע שידע לייצר את הפאזות הנכונות במקום שצריך

מאמר קשור לפאזות, בנושא הגרדים, תמצאו בבלוג במאמר:

עיבוד שבבי, גרדים ופאזות והקשר ביניהם

עכשיו תורכם    

עד כאן הצגתי בפניכם את חשיבות הפאזות, ונתתי כמה כללים וטיפים בנושא, כדי לחסוך נזק רב. הבנו, כיצד יש לטפל בפאזה ושחשוב להתייחס אליה בעת התכנון ובשרטוט. עתה הבמה כולה שלכם. מה תוכלו להוסיף מניסיונכם? על איזה מקרה כשל עקב העדר פאזה הייתם רוצים לספר לנו? אנא שתפו אותנו פה למטה, בתגובות, כדי שכולנו נלמד ונצמח ביחד.

הצעד הבא שלכם להצלחה

אהבתם? שתפו את המאמר עם חברים וקולגות. רוצים לקבל ממני עוד הרבה טיפים מועילים, עקרונות מנחים והדרכה מעשית בנושאים שונים ומגוונים בהנדסת מכונות? במיוחד בשבילכם כתבתי את מדריך הבזק “הנדסה בחקירה” ובו ניתוח עומק של 7 כשלי תכנון בסיסיים שהובילו לאסונות ענק. להורדת המדריך במתנה ממני ולגמרי בחינם – לוחצים כאן.

אודות משה קלמן

אינג' משה קלמן, בוגר לימודי הנדסת מכונות בטכניון במגמת אנרגיה, ובעל תואר שני במנהל עסקים, מהאוניברסיטה העברית בירושלים, מביא אתו ניסיון עשיר של כ-40 שנה בתחומי הנדסה שונים ומגוונים. את הניסיון העצום שצבר, יצק לתוך מגוון תכניות הדרכה למהנדסים בהתאמה לצורכי הארגון.

להורדה בחינם של מדריך הבזק "הנדסה בחקירה" שבו אסף דוגמאות של כשלים קטסטרופליים שנבעו מהזנחה של עקרונות הנדסיים בסיסים – לחצו על הקישור "כן, אני רוצה ללמוד מניסיונם של אחרים"

6 תגובות

  1. בן הגב

    היי משה, מאמר מרתק!
    יש בעיה קטנה בתחילת המאמר. לאחר התמונה של “פזה בקצה התבריג (זכר)” התייחסת למידה a כאשר לא ראיתי כזו בשום שרטוט. אשמח אם תוכל להעלות שרטוט מעודכן או להכווין יותר למה התכוונת..
    מישהו אתמול העיר לי על פאזה בתחילת תבריג, בזכות המאמר שלך הבנתי את המשמעות הרבה של זה, תודה רבה!

  2. רועי הגב

    משה, כל הכבוד על שיתוף הידע והניסיון, מידע מסוג זה קשה למצוא שהוא כזהב למתכננים צעירים.
    עלה והצלח.

  3. שלומי בן מאיר הגב

    תודה רבה על המאמר !!

השארת תגובה